Myofascial Release Manual
This Myofascial Release Manual is a clinical reference that outlines the principles, anatomy, and application of myofascial release as taught in the Real Bodywork training program. It explains how fascia responds to sustained pressure, how restrictions form, and how specific techniques are applied to restore mobility and balance. The complete printable PDF manual is provided to enrolled students as part of the online course.
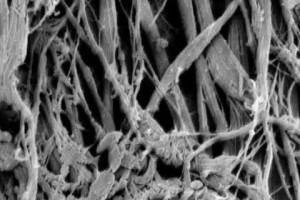
Anatomy and Physiology of Fascia
Fascia is a connective tissue network that surrounds and penetrates muscles, nerves, vessels, organs, and bones. It is composed primarily of collagen fibers, elastin fibers, and ground substance. Collagen provides tensile strength, elastin allows elasticity, and ground substance acts as a viscous medium that permits tissues to glide and adapt.
A key property of ground substance is its ability to change state. In healthy tissue it remains fluid and adaptable. With injury, aging, or lack of movement, it becomes more gel-like, restricting motion and altering force transmission. Myofascial release works in part by encouraging this ground substance to return to a more fluid state, allowing collagen fibers to lengthen and reorganize.
Fascia as a Continuous Network
Fascia does not function as isolated layers. It forms a continuous network from the soles of the feet to the scalp. Tendons, periosteum, muscle sheaths, and ligamentous structures are all expressions of the same connective tissue system. Because of this continuity, restriction in one area can influence posture, movement, and symptoms in distant regions.
Cross-Linkages, Adhesions, and Restriction
Over time, collagen fibers tend to form cross-linkages, particularly after injury or prolonged immobility. These cross-linkages reduce extensibility and distort normal strain patterns. When adjacent fascial layers bind together, adhesions form, limiting independent movement between muscles and increasing effort, compensation, and pain.
The goal of myofascial release is to reduce these restrictions, restore fluid movement patterns, and rebalance tension within the fascial network.
Core Principles of Myofascial Release
- Fascia responds to slow, sustained pressure rather than quick or forceful strokes.
- Initial resistance is elastic; deeper change occurs only after sufficient time.
- Gentle pressure improves sensitivity and allows tissue response.
- As restrictions release, tissue direction may change and should be followed.
Technique Categories Covered in the Manual
For example, in the manual a core sequence begins with evaluation of fascial glide from the distal extremity toward the trunk, using longitudinal holds followed by transverse plane engagement. This approach systematically evaluates for fascial restriction and allows the practitioner to adjust pressure based on tissue response rather than force.
The full manual organizes techniques by functional category rather than by isolated muscles. These include:
- Superficial fascial work and skin evaluation techniques
- Scar tissue mobilization and adhesion release concepts
- Cross-handed stretches applied along major fascial lines
- Kinesthetic evaluation and long-axis pulls
- Transverse plane releases involving the diaphragm and pelvic floor
Major Fascial Lines
The manual introduces several primary lines of fascial pull, including the lateral, anterior, posterior, and deep anterior lines. Each line transmits force through multiple joints and regions. Restriction along a line can influence posture, gait, breathing, and pain patterns. Treatment focuses on restoring balanced tension along the entire line rather than isolating a single site.
Transverse Planes and Breathing
Special attention is given to the transverse diaphragms, including the pelvic floor, respiratory diaphragm, and thoracic inlet. These horizontal fascial planes play a key role in organ support, breathing mechanics, lymphatic flow, and nervous system regulation. Gentle releases in these regions are often used to integrate a session and support systemic balance.
Evaluation and Clinical Application
Effective myofascial work begins with evaluation. The manual outlines postural assessment, joint play testing, and kinesthetic evaluation techniques that help identify primary restrictions. Treatment is guided by tissue response rather than force, with continual reassessment to confirm changes in mobility and function.
Using the Manual in Practice
Many practitioners integrate myofascial release at the beginning of a session to reduce guarding and improve tissue compliance, then blend it with massage or other bodywork methods. The manual is designed as a reference to support assessment, technique selection, and clinical reasoning rather than as a rigid protocol.
Related Learning Resources
Glossary of Key Terms
The following terms are commonly used in myofascial release and are referenced throughout the manual and course material.
- Fascia: A continuous connective tissue network that surrounds and penetrates muscles, organs, nerves, vessels, and bones, transmitting force and influencing posture and movement.
- Ground Substance: The semi-fluid matrix within fascia that allows tissues to glide. Changes in hydration and viscosity of ground substance significantly affect mobility and tissue response.
- Viscoelasticity: The property of fascia that allows it to deform slowly under sustained load and gradually return toward its resting state when pressure is removed.
- Cross-Linkages: Bonds that form between collagen fibers over time, especially after injury or immobility, reducing tissue extensibility and contributing to restriction.
- Adhesions: Areas where adjacent fascial layers lose their ability to glide independently, often resulting in stiffness, compensation, or pain.
- Sustained Pressure: A slow, steady application of pressure held long enough to allow fascial tissue to respond, rather than relying on force or rapid movement.
- Tissue Unwinding: A phenomenon in which fascial tissue subtly changes direction as restrictions release, often requiring the practitioner to follow the tissue rather than impose movement.
- Fascial Lines: Longitudinal pathways of connective tissue that transmit tension across multiple joints and regions, influencing global movement and posture.
- Transverse Planes: Horizontal fascial structures such as the pelvic floor and respiratory diaphragm that play a key role in breathing mechanics, pressure regulation, and systemic balance.
- Assessment: The process of evaluating posture, movement, tissue glide, and joint play to identify primary fascial restrictions and guide treatment decisions.
What’s Included in the Full Myofascial Release Manual
The complete myofascial release manual included with our online course is designed as a practical clinical reference. While this page provides an overview of principles and techniques, the full manual is intended for use during practice and training.
- Structured myofascial release treatment approaches
- Step-by-step technique sequences
- Clinical considerations and contraindications
- Printable reference material for ongoing use
Access to the full printable manual is provided exclusively to enrolled students.
Myofascial Release Online Course
The Myofascial Release Online Course provides in-depth instruction in fascial anatomy, technique application, and session integration. The course is designed for massage therapists and bodyworkers seeking a clear, methodical approach to myofascial work.
- Progressive video instruction
- Technique demonstrations and explanations
- Lifetime access to course materials
- Full printable myofascial release manual
View the Myofascial Release Online Course
Who This Manual Is For
This myofascial release manual overview is intended for massage therapists, bodyworkers, and movement professionals who want a clear understanding of fascial release principles and techniques. It is also useful for students exploring myofascial work as part of a broader therapeutic education.
For those seeking a complete, printable manual with applied clinical guidance, enrollment in the course provides full access.
This material is developed by experienced educators in clinical massage therapy and bodywork, with decades of hands-on teaching and professional practice. Real Bodywork courses are designed to emphasize clear technique instruction, clinical reasoning, and practical application for working therapists.
This material is developed by experienced educators in clinical massage therapy and bodywork, with decades of hands-on teaching and professional practice. Real Bodywork courses are designed to emphasize clear technique instruction, clinical reasoning, and practical application for working therapists.
Click here to add your own text







